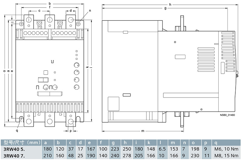
- 商品介绍
- 规格参数
SIRIUS 3RW40 软起动器具有 3RW30 软起动器的所有优点。SIRIUS 3RW40 软起动器占用空间很小。并集成有旁路触点,在电机起动后,可使晶闸管(可控硅)旁路,从而可显著降低热损耗,结构极为紧凑,而且无需外部旁路电路。
另外,该软起动器还集成有其它功能,例如可调限流功能,电机过载和设备自保护功能,以及可选电机热过载保护功能。电机的额定功率越大,这些功能就越重要,无需再购买、安装其它保护设备,例如过载继电器。
设备自保护功能可防止晶闸管热过载,从而避免功率单元故障。作为选项,晶闸管也可通过半导体熔断器提供短路保护。
凭借集成状态监控和故障监控功能,该软起动器还提供有许多不同的诊断选件。使用 4 个 LED 和继电器输出,来指示工作状态以及电源或相位故障、负载缺失、不允许的脱扣时间/等级设置、热过载或设备故障等,从而实现监控和诊断。
软起动器的额定功率可达 250 kW(400 V 时),可用于三相电网标准应用。该款软起动器具有尺寸小、功耗低和易于调试等优点。
“增安”型保护 EEx e,符合 ATEX 指令 94/9/EC S0 到 S12 规格的 3RW40 软起动器适合起动带“增安”型保护 EEx e 的防爆电机。
作为选项,晶闸管也可由 SITOR 半导体熔断器提供短路保护,以便短路(协调类型 2)后,软起动器不被损坏。3RW40 软起动器应用了 3 个 LED 来指示工作状态及可能的故障,例如不允许的脱扣时间(脱扣等级设定)、电源或相位故障、负载缺失、热过载或设备故障。
• 电压斜坡软起动;起动电压的调节范围 US 为 40 % 至 100 %,斜坡时间 t R 为 0 s 至 20 s。
• 电压斜坡平滑软停止;软停止时间 toff 的调节范围为 0 s 至 20 s。
• 电子式电机过载保护功能和设备自保功能
• 可选热敏电阻电机保护功能(规格 S3 以下)
• 远程复位功能(规格 S3 以下都集成有该功能,规格 S6 及以上该功能可选)
• 可调限流功能
• 集成旁路触点系统,可降低功耗
• 使用电位器进行设定
• 安装与调试简单
• 集成状态监控和故障监控
• 电源电压为 50/60 Hz,200 至 600 V
• 多种控制电压类型
- 规格 S0 至 S3:24 V AC/DC 和110 至 230 V AC/DC
- 规格 S6 至 S12:115 V AC 和 230 V AC。
可通过内部 24 V DC 电源控制及通过 PLC 直接控制。
• 温度范围宽,-25 ºC 至 +60 ºC
• 内置辅助触点,可方便地集成于控制系统









| 品牌 | 西门子 |
| 电机功率(230V,标准场合) | 90 |
| 电机功率(415V,标准场合) | 160 |
| 电机功率(230V,重载场合) | 75 |
| 电机功率(415V,重载场合) | 132 |
| 连接类型 | 主导线: 接触轨连接 / 辅助导线: 弹簧接线夹 |
| 电机功率(230V,标准场合,连接至电机三角形连接端子) | - |
| 电机功率(415V,标准场合,连接至电机三角形连接端子) | - |
| 电机功率(230V,重载场合,连接至电机三角形连接端子) | - |
| 电机功率(415V,重载场合,连接至电机三角形连接端子) | - |
| 品牌 | - |
| 系列 | - |













